Threaded connection
Push-pull connection
Bayonet quick connection
Rectangular connector
Wire harness assembly
Hyperbolic contacts
Tel
Mail
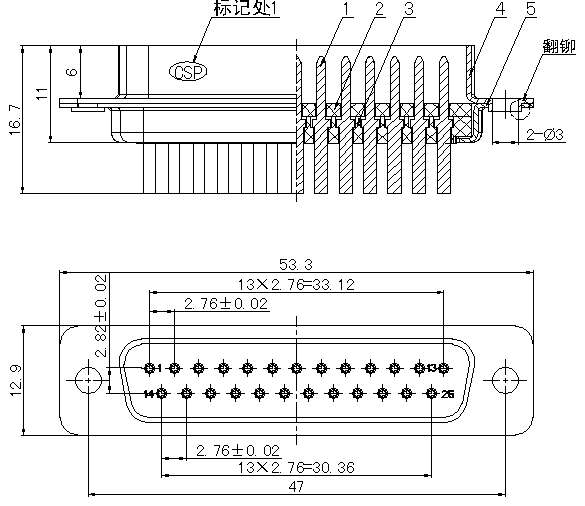
J142 series rectangular electrical connector is developed and manufactured according to GJB1438A (MIL-C-55302) standard, which has good reliability, strong interchangeable performance, split slot with stainless steel Jack and 2.76mm × 2.82mm non-standard grid spacing. PCB immersion welding, welding and other terminating forms. Thread guide pin with locking function, guide sleeve. Riveting, thread fastening and other fixed forms. This series of rectangular connectors are widely used in the interior of the chassis between the printed circuit board and the printed circuit board, as well as between the printed circuit board and the cable signal transmission, suitable for aerospace, aviation, electronics, weapons, ships and other industries chassis, cabinet inside.
Operating conditions and main performance:
Working temperature: -55℃~+125℃
Relative humidity:40℃,reach 95%
working air pressure:200V
withstand pressure:Normal temperature 1000V, Wet heat 550V
insulation resistance: Normal temperature≥5000MΩ, Wet heat ≥100MΩ
Contact resistance and rated current.
|
Contact diameter (mm) |
Contact resistance |
Rated current |
|
Φ1.02 |
≤0.015 |
5 |
Housing: PBT Plastic
Contact gap: 2.76mm (transverse) 2.82mm (longitudinal)
Vibration: vibration frequency is 10 Hz ≤ 2000 Hz, acceleration 147m/s2
Shock:Acceleration 980m/s2
Anti-salt spray:48h
Endurance: 500 times
How to order :

Dimensions:
Plug J142/03D-3-25

Receptacle J142/22D-3-25LC
